|
產品分類
球閥系列
蝶閥系列
風閥系列
氣動閥
電動閥
閘截止閥
執行器
調節閥
BERSST
VEAPON
配件系列
SEFORT
AirTorque
i-Tork
SUNYEH
SIRCA
|
|
氣動閥
【BERSST】氣動V型對夾球閥
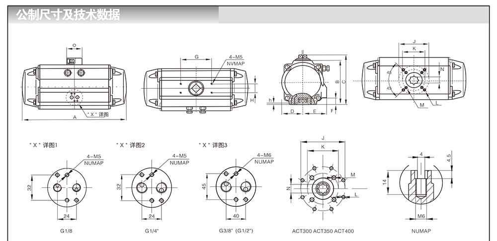
氣缸品牌:BERSST 氣缸形式:雙作用、單作用 閥體材質:碳鋼、不銹鋼 連接方式:對夾 環境溫度:標準型-20℃~+80℃ 介質溫度:-20℃~+300℃
QQ:362152520
電話/微信:18913311535
產品特點 雙活塞對稱結構設計 齒輪齒條雙活塞對稱結構設計,動作快速平穩,精度高,輸出功率大,通過簡單的改變活塞裝配位置可得到反向旋轉 一體式設計 所有的雙作用和單作用執行器型號,都具有相同的缸體和端蓋,很方便通過加裝彈簧或拆除彈簧來改變作用方式 標準化 連接部分符合全新國際標準規范IS0 5211,DN3337 (F03-F25)使用產品安裝具有互換性、通用性 硬質陽極氧化處理 擠壓的優質鋁合金缸體,經精密加工的內孔和外部表面進行硬質陽極氧化處理,使用壽命更長,摩擦系數低 多功能位置指示器 現場可視化指示,符合VID/MIE3845、NAMUR標準槽,能安裝并輸出所有附件,如限位開關盒、電氣定位器、位置傳感器

|
|