|
產品分類
球閥系列
蝶閥系列
風閥系列
氣動閥
電動閥
閘截止閥
執行器
調節閥
BERSST
VEAPON
配件系列
SEFORT
AirTorque
i-Tork
SUNYEH
SIRCA
|
|
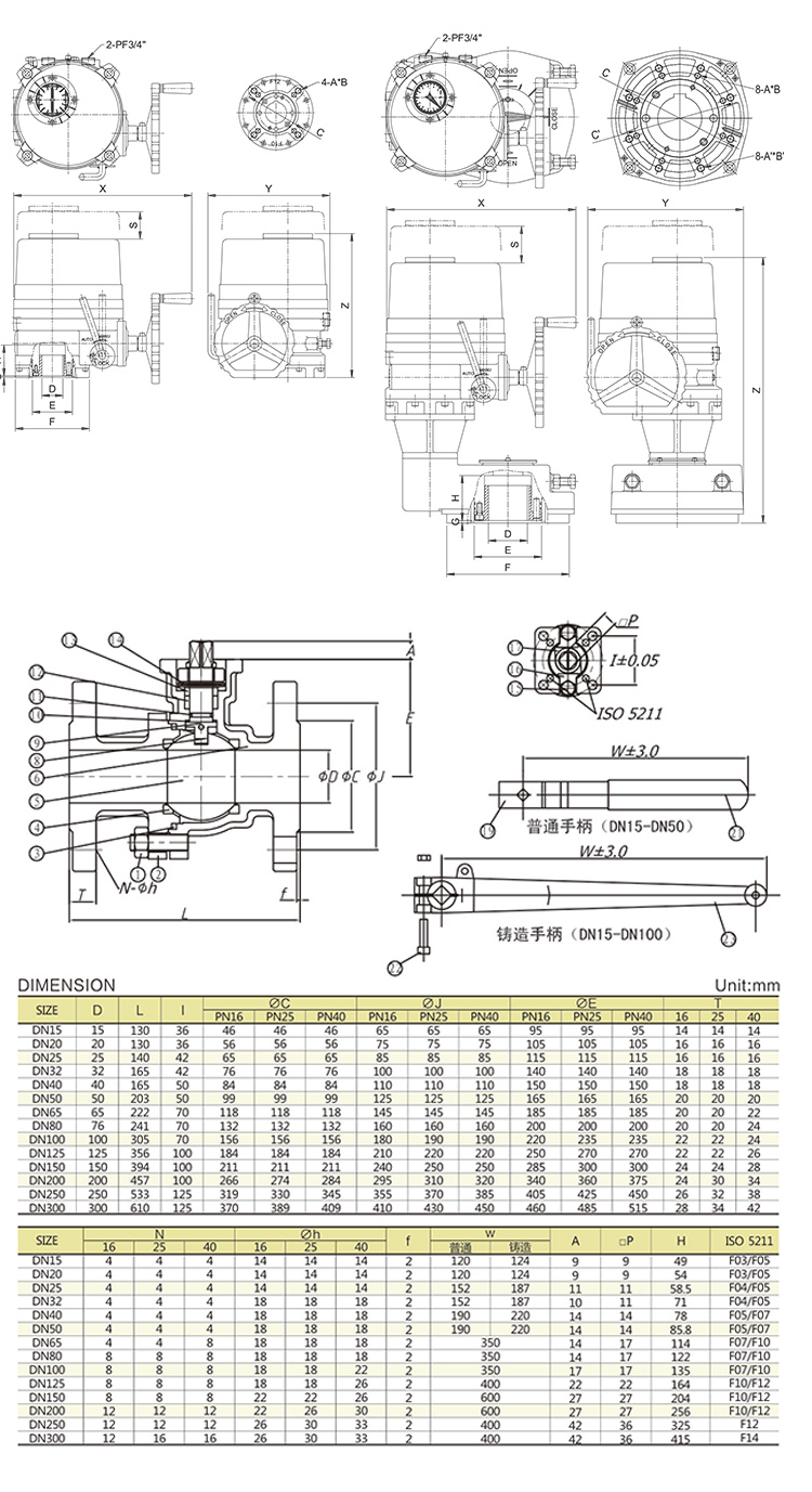
電動閥
【i-Tork】電動法蘭球閥
產品品牌:i-Tork 電源控制:開關型、調節型 閥體材質:碳鋼、不銹鋼
連接方式:法蘭 環境溫度:標準型-20℃~+70℃ 介質溫度:-20℃~+300℃
QQ:362152520
電話/微信:18913311535
產品細節 產品特點
體積小 重量輕占空比高。 與行星齒輪相結合,效率高。 適用于開關型小型球閥/旋塞閥和擋板自動化控制。 電機特殊設計的感應電機,啟動扭矩高,有過熱保護。

|
|